By continuing to use this website you are consenting to the use of cookies in accordance with our cookie policy. To close this message click here.
Linhof & Studio Click for WishList

There are no wishlist items stored, please select items you are interested in on the page and click the 'Wishlist' button under the product image.



Or if you have previously saved a wishlist please login to review it.

Close
Large Format Lenses > Macro Lenses > Macro Lenses > MACRO LENSES >
No Buy button?
Please just click the wishlist to check stock level or ask a question.
No Buy button?
Please just click the wishlist to check stock level or ask a question.
Linos Inspec.x L 5.6/105
Added to basket!
Description:
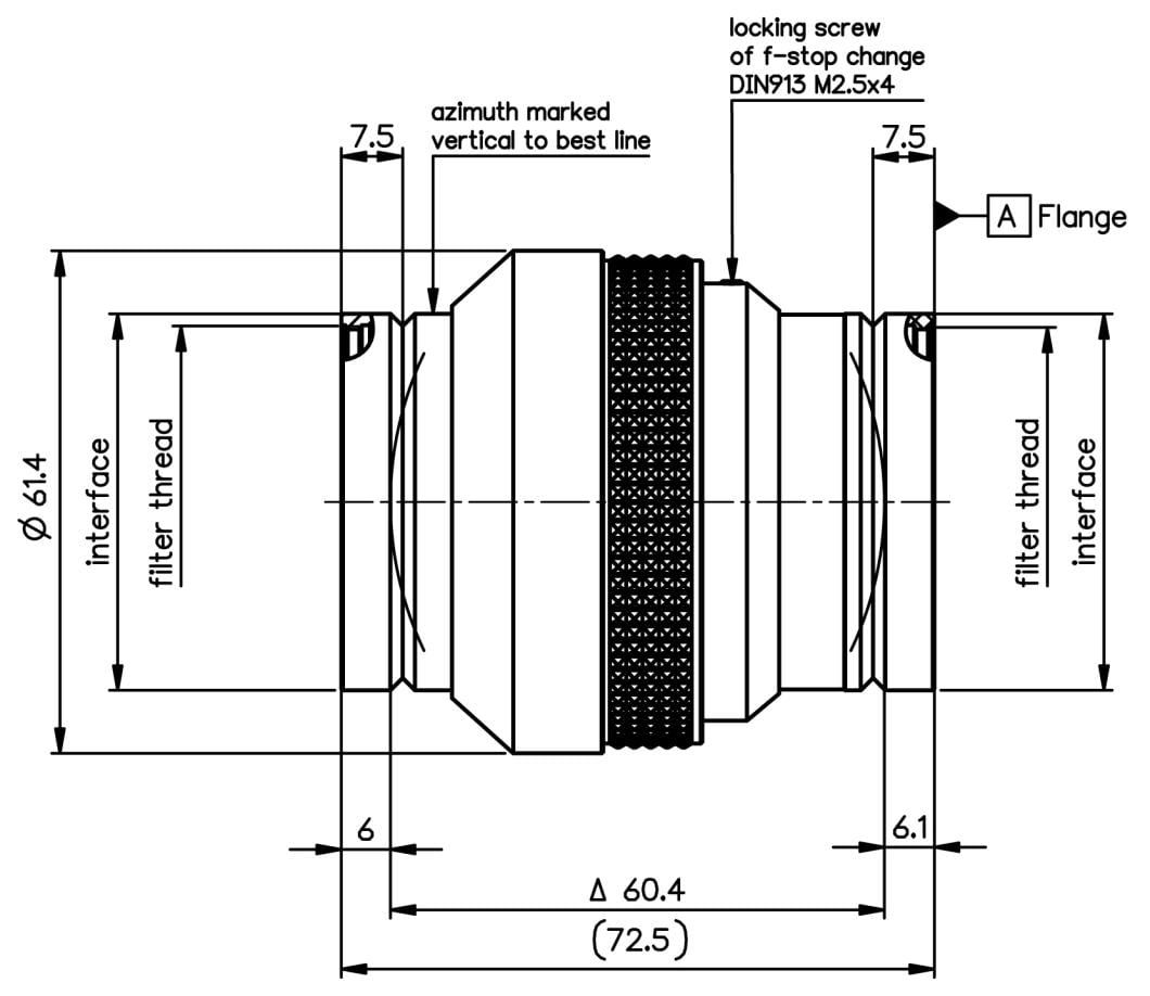
The Linos Inspec.x L 5.6/105 lens is available in four versions.
Each optimised for its own magnification range. Remarkable feature of it is the mount, which enables the user to reverse the lens. This enables a reversed magnification ratio. Most popular version is the 105mm 0.76x. This lens enables Fadgi**** digitisation of 35-4x5" film sizes.
Available in 4 versions and will require a V groove lens plate: WHF-4 or ACB-V
Product Code:
Linos Inspec.x L 5.6/105
Options:
 

 

 
 
               
Product Focal length  F-number F-number Magnification Optimized Image Circle Interface
  mm mm Range Range Magnification Diameter, mm  
inspec.x L 5.6/105 1.0x 105 5.6 5.6 … 22 0.85 … 1.2 1 82 V Groove
inspec.x L 5.6/105 0.76x 105 5.6 5.6 … 22 0.6 … 0.9 0.76 82 V Groove
inspec.x L 5.6/105 0.5x 105 5.6 5.6 … 22 0.4 … 0.65 0.5 82 V Groove
inspec.x L 5.6/105 0.33x 105 5.6 5.6 … 22 0.25 … 0.45 0.33 82 V Groove

 

 
   Filter Thread 46mm, Weight 440g